ماژول صفحه نمایش LCD برای ترازوی الکترونیکی آشپزخانه
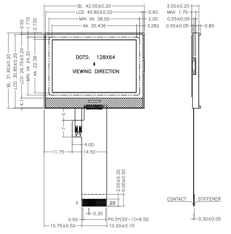
ماژول صفحه نمایش ال سی دی lcd با اندازه استاندارد 128x64 نقطه برای ابزارهای دستی است. که اندازه آن 42.{4}}x31.60 میلیمتر است و منطقه مشاهده آن 38.0x24.30 میلیمتر است. مواد DFSTN با کنترلر ST7567.
- معرفی محصول
مشخصات محصول
ماژول صفحه نمایش ال سی دی lcd با اندازه استاندارد 128x64 نقطه برای ابزارهای دستی است. که اندازه آن 42.{4}}x31.60 میلیمتر است و منطقه مشاهده آن 38.0x24.30 میلیمتر است. مواد DFSTN با کنترلر ST7567. ما سه پسزمینه برای این LCD داریم، آبی، سیاه و خاکستری، و میتوانیم آن را با توجه به نیاز شما شامل اندازه سفارشی کنیم.
مشخصات



فرآیند LCD سفارشی
طراحی ال سی دی را طراحی کنید: مهندس ما نقشه ال سی دی را مطابق با نیاز مشتری طراحی می کند، حدود 1-3 روز طول می کشد.
طراحی LCD را تأیید کنید: هنگامی که طراحی طراحی را به پایان رساندیم، برای تأیید به مشتری ارسال می کنیم.
تولید ابزار و نمونه: هنگامی که مشتری تأیید کرد که نقشه درست است، ما کار ساخت و تولید نمونه را آغاز خواهیم کرد، حدود 15 تا 30 روز طول می کشد. (بستگی به انواع LCD دارد)
تولید انبوه: هنگامی که تولید نمونه را به پایان رساندیم، 5 نمونه PCS رایگان را برای آزمایش به مشتری ارسال می کنیم. و اگر نمونه ها درست باشند، تولید انبوه را شروع می کنیم، حدود 30-40 روز طول می کشد.

تگ های محبوب: ماژول صفحه نمایش LCD برای مقیاس الکترونیکی آشپزخانه، چین، تامین کنندگان، کارخانه، سفارشی، نقل قول، خرید تخفیف، نمونه رایگان، ساخت چین











